热门搜索: 阿童木 机器人 D3P D3PM D4 D5 S6
华会(中国)> 产品中心 > 迷你并联工作站

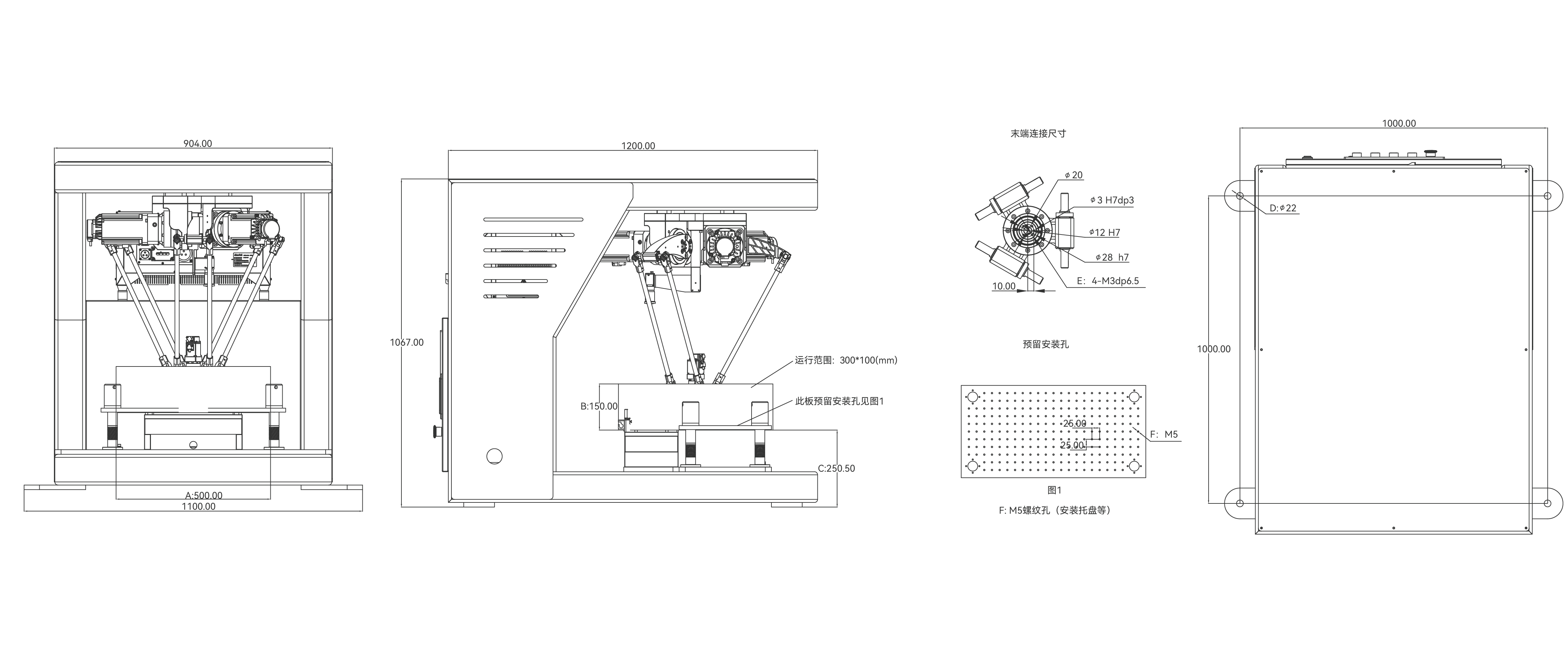
AM-BL05Ultra

高速度 小体积 高智能 高精度
产品介绍

一款集成了高性能Delta机器人、驱控一体控制柜、工业摄像头和可自定义编程控制软件的一体化智能机器人工作站,支持双随动,最大负载可达3kg,重复定位精度±0.02mm,多种形式末端夹具自由选择,轻松搞定各种物料的分拣、装配等。

产品特点

1、并联结构机器手臂 并联结构机器手臂是一种高精度、高速度机器人,被广泛应用于工业自动化领域。相较于串联机器人,并联机器人更适合进行高精度、高重复性的操作,如电子元器件生产,医疗器械组装等。其主要特点是构造简单、运动速度快、精度高,且同时具有高度稳定性和可靠性;

2、镁合金机械臂 机械臂主体采用航空镁合金加工而成,具有密度低、强度高、弹性模量大、散热好、销震性能优异、抗冲击载荷能力大等特点,优异的本体机械性能为机器人高速度的持续运行提供了强有力的保证;

3、可拓展动平台设计 可拓展动平台设计,可以根据不同的应用场景安装多元化的末端,支持增加旋转轴、俯仰轴、真空吸盘、气缸夹爪、电夹爪等;

4、驱控一体 交流伺服电机搭配全自主研发且深度兼容Delta机器人的驱控一体控制柜,配备ARM处理器,具有强大的运算能力。高度集成化,整合机器人+伺服系统实现高性能工业机器人控制内置多机器人模型,快速实现工业机器人应用场景搭建。多IO设计,支持数字量/模拟量输入输出、网口、编码器等接口,无需扩展IO。相对低压伺服电机的方案有更大的负载能力,更高的响应速度和运行速度,更高的精度,相对于搭 配单轴驱动器配合控制器的标准控制柜,可以极大节省空间,降低故障率。

产品详细参数

结构总览

详情了解AM-BL05Ultra

阿童木mini并联手册